Introduction of Elasticity
↪ Elasticity is a fundamental property of all matter by virtue of which an object regains its original shape and size when a deforming force is removed.↪ When the deforming force is applied to thi...
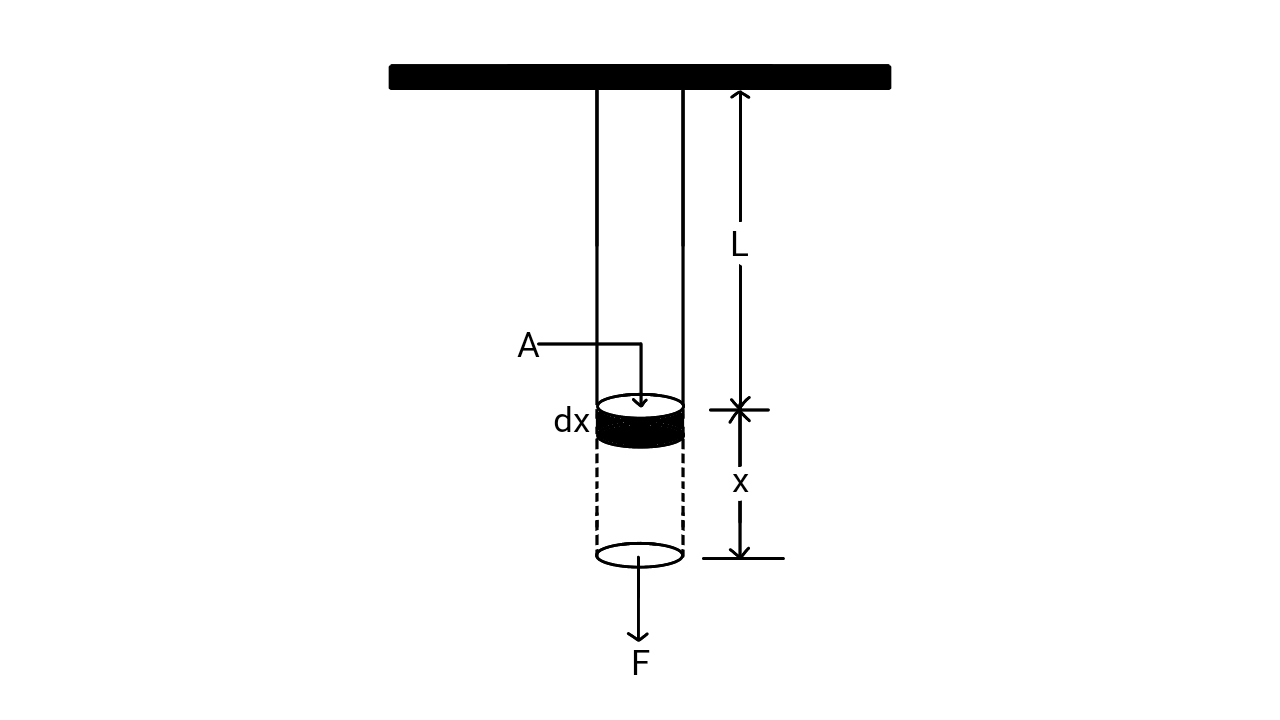
When a body is deformed, work is done by the deforming forces against the intermolecular force of attraction between the molecules of the body. This work done is stored in the body in the form of elastic potential energy.Consider a body of length L and of cross section area A. Suppose on applying force F, elongation x is produced in the body.Then, the young's modulus of elasticity of the material of the body is given by,Y=FLAx∴F=YALxThen, small work done to produce an infinitesimally small extension dx is given by,dW=FdxIntegrating within limits from 0 to x,W=∫x0FdxW=∫x0YALdxW=YAL∫x0xdxW=YAL[x22]x0W=12⋅YAL⋅x²W=12⋅YALx⋅xW=12FxW=12×force×extensionSince, work done = energy stored∴Energy stored=12×force×extensionEnergy DensityEnergy density is defined as the elastic potential energy per unit volume of the deformed body.
Thus, we have,Energy Density (U)=12⋅FxVhere, V = Volume of the deformed body andV=Area of cross section×lengthV=A×L∴Energy Density (U)=12FxALHere,FA=normal stress
and,
xL=Longitudinal strain∴Energy density (U)=12×normal stress×longitudinal strain